Skip to content
Free Shipping Orders $250+
Free Shipping Orders $250+

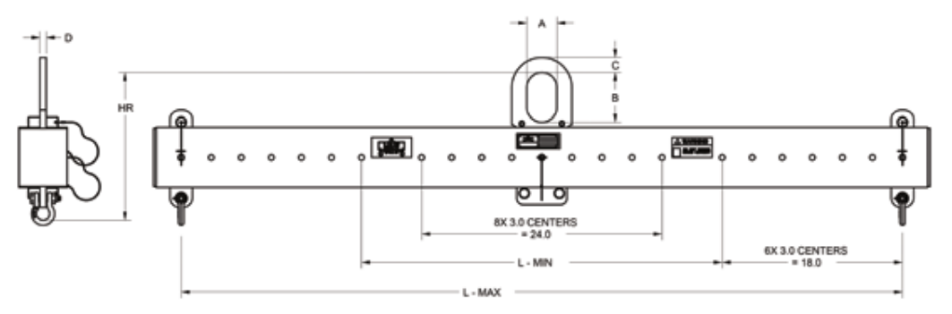
Adjustable Length Lifting Beam with Shackle Bottoms

  • Manufactured to exceed all ASME B30.20 and OSHA regulations.
  • Painted safety yellow for increased visibility.
  • ALL Lifting Beams proof loaded and shipped with certification paperwork.
  • Durable construction ideally suited to jobsite or warehouse use.
  • Quick and easy adjustment of unbalanced loads.
  • Ideally suited to low headroom applications.
  • Standard with shackles.
  • Made in U.S.A.
  • Custom designs available - call for engineering.
  • ALL lifting equipment individually proof loaded per OSHA requirements.
  • All dimensions in inches unless otherwise noted.
WLL MPN L min L max A B C D Headroom (in) Weight (lbs) Price Quantity
2,000 15101 36 72 3 5 0.75 0.63 11.8 85 $2,130.41
2,000 14678 72 144 3 5 0.75 0.63 13.8 285 $2,663.00
4,000 12453 36 72 3 5 1.5 0.63 12.6 135 $2,307.94
4,000 12495 72 144 3 5 1.5 0.63 14.6 331 $3,250.24
6,000 14669 36 72 3 5 1.5 0.63 14.8 170 $2,403.54
6,000 14661 72 144 3 5 1.5 0.63 17.8 535 $3,769.18
8,000 12503 36 72 4 7 2.00 0.75 18.0 201 $3,250.24
8,000 12512 72 144 4 7 2.00 0.75 20.0 543 $4,028.66
10,000 14651 36 72 4 7 2.00 0.75 20.0 310 $3,769.18
10,000 15108 72 144 4 7 2.00 0.75 21.0 805 $4,889.02
15,000 15117 36 72 4 7 2.00 1.00 20.7 325 $3,987.69
15,000 15128 72 144 4 7 2.00 1.00 23.7 830 $5,503.56

Products